Bench Vice Assembly Drawing Pdf

Bench Vice Assembly Drawing Pdf


Početna stranica


bench vice assembly drawing pdf

Bench-vice-assembly - download free 3D model by £MechDesign - Cad Crowd

bench vice assembly drawing pdf

Bench Vice Assembly | PDF

bench vice assembly drawing pdf

Bench vice.p65

bench vice assembly drawing pdf

Bench Vice Assembly | PDF

bench vice assembly drawing pdf

Mechanical Bench Vise drawing | 3D CAD Model Library | GrabCAD

bench vice assembly drawing pdf

Jednostavni Primeri | PDF | Screw | Metalworking

bench vice assembly drawing pdf

Mechanical Bench Vise drawing | 3D CAD Model Library | GrabCAD

bench vice assembly drawing pdf

Bench Vice.pdf

bench vice assembly drawing pdf

Bench Vice Assembly | 3D CAD Model Library | GrabCAD

bench vice assembly drawing pdf

Assembly drawing of bench vice |Engineering and poetry| - YouTube

bench vice assembly drawing pdf

Solved Make a one-view assembly drawing of the bench vise | Chegg.com

bench vice assembly drawing pdf

The CAD model of the bench vice assembly | Download Scientific Diagram

bench vice assembly drawing pdf

Machine vice manual drawing part 1 | Machine, Welding machine, Vice

bench vice assembly drawing pdf

DE-1: Lesson 2. THE BENCH WORK TOOLS AND ITS USES

bench vice assembly drawing pdf

Assembly and Details machine drawing pdf | Mechanical design, Mechanical engineering design, Engineering tools

bench vice assembly drawing pdf

Bench Vice Assembly | 3D CAD Model Library | GrabCAD

bench vice assembly drawing pdf

Solved) - Vise Assembly (Create a set of detail and assembly drawings. All... (1 Answer) | Transtutors

bench vice assembly drawing pdf

Solved) - Vise Assembly (Create a set of detail and assembly drawings. All... (1 Answer) | Transtutors

bench vice assembly drawing pdf

Can I get the pipe vice assembly with dimensions | GrabCAD Questions

bench vice assembly drawing pdf

Solidworks tutorial | Sketch bench vise in Solidworks | Solidworks - YouTube

bench vice assembly drawing pdf

Bench Vice Assembly | 3D CAD Model Library | GrabCAD

bench vice assembly drawing pdf

Pipe Vice Assembly.pdf

bench vice assembly drawing pdf

Installing a Bench Vise

bench vice assembly drawing pdf

Can I get the pipe vice assembly with dimensions | GrabCAD Questions

bench vice assembly drawing pdf

MACHINE VICE ASSEMBLY DRAWING-PART 1| FRONT VIEW|LEARN AND DRAW | - YouTube

bench vice assembly drawing pdf

Vise - Wikipedia

bench vice assembly drawing pdf

Solved I need this in 2D please With AutoCAD create all | Chegg.com

bench vice assembly drawing pdf

Assembly and Details machine drawing pdf | PDF

bench vice assembly drawing pdf

Starrett Book for Machinists Apprentices : anvilfire Vise Gallery

bench vice assembly drawing pdf

WEN 456BV 6-Inch Heavy Duty Cast Iron Bench Vise Manual | Manualzz

bench vice assembly drawing pdf

Manual bench vice assembly | Download Scientific Diagram

bench vice assembly drawing pdf

Fitting Assignment - EngineerHub

bench vice assembly drawing pdf

Student Project 1 Create different components of the | Chegg.com

bench vice assembly drawing pdf

Department of Mechanical Engineering MEP201 Machine Drawing Tutorial Sheet No 4 Part drawings of a drill bench-vice are shown in

bench vice assembly drawing pdf

Mechanical Drawing (Assembly Drawing) Second Stage 2016 1437

bench vice assembly drawing pdf

39 Bench Vice FINAL | PDF | Computer Aided Design | Autodesk

bench vice assembly drawing pdf

How to fit a Record vice » HACKNEY TOOLS | Bench vice, Woodworking vice, Vice

bench vice assembly drawing pdf

Mechanical Drawing (Assembly Drawing) Second Stage 2016 1437

bench vice assembly drawing pdf

SolidWorks Tutorial Design of Bench Vice Part 1.Base - YouTube

bench vice assembly drawing pdf

Mechanical Bench vice design Solidworks file 100% free download

bench vice assembly drawing pdf

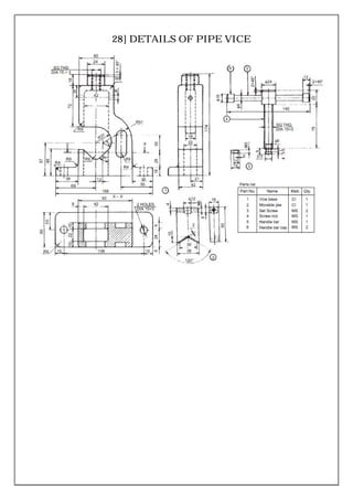
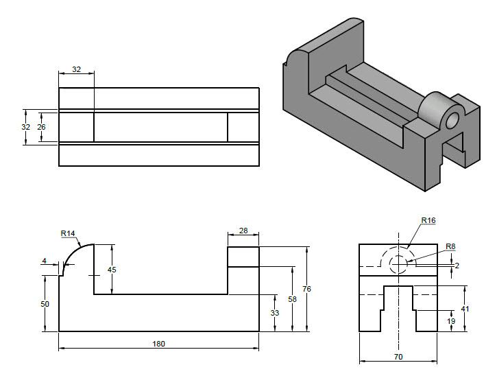
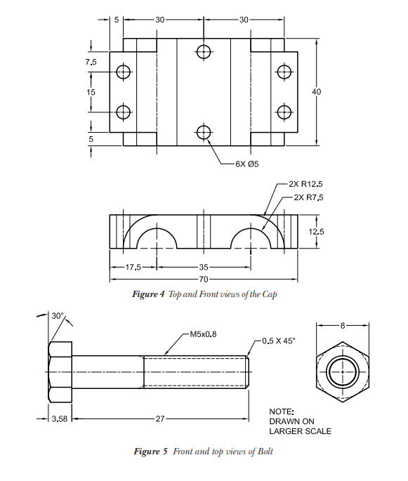
Machine Drawing-9 - Complete notes on part drawings - Assembly Drawings 337 Fig. 18 Pipe vice 60 SQ - Studocu

bench vice assembly drawing pdf

SolidWorks Tutorial Design of Bench Vice Part 1.Base - YouTube | Solidworks tutorial, Solidworks, Autocad isometric drawing

bench vice assembly drawing pdf

Download: Free Plans for the Knockdown Nicholson Workbench – Lost Art Press

bench vice assembly drawing pdf

Mechanical Drawing (Assembly Drawing) Second Stage 2016 1437

bench vice assembly drawing pdf

39 Bench Vice FINAL | PDF | Computer Aided Design | Autodesk

bench vice assembly drawing pdf

Assembly of Machine vice | PPT

bench vice assembly drawing pdf

Bench Vice Assembly CATIA V5 | 3D CAD Model Library | GrabCAD

bench vice assembly drawing pdf

Welcome to FrankCarranza.com

bench vice assembly drawing pdf

How to design a bench vice in Autodesk Fusion 360 | Tutorial for beginners | Bench vice, Tutorial, Vice

bench vice assembly drawing pdf

Mechanical Drawing (Assembly Drawing) Second Stage 2016 1437

bench vice assembly drawing pdf

Wilton 25A - Small Drill Press Vise - eReplacementParts.com

bench vice assembly drawing pdf

Bench-vice-assembly - download free 3D model by £MechDesign - Cad Crowd

bench vice assembly drawing pdf

Assembly and Details machine drawing pdf | PDF

bench vice assembly drawing pdf

WRS Ashland 2-15/32" Die Cast Pivot Bar – Window Hardware Direct

bench vice assembly drawing pdf

Assembly drawing of bench vice |Engineering and poetry| - YouTube

bench vice assembly drawing pdf

5253-100 Series — Azimuth Electronics, Inc.

bench vice assembly drawing pdf

Assembly and Details machine drawing pdf | Mechanical design, Solidworks tutorial, Technical drawing

bench vice assembly drawing pdf

Mini Bench Vice Assembly - download free 3D model by Dimitris Vogias - Cad Crowd

bench vice assembly drawing pdf

PDF) Student Project 1 Figure 2 Drawing views of the Drill Press Vice assembly | putra umar - Academia.edu

bench vice assembly drawing pdf

Swivel Bench Vise | 3D CAD Model Library | GrabCAD

bench vice assembly drawing pdf

Hinge Assembly

bench vice assembly drawing pdf

Solved MCE2332 - Geometric Dimensioning and Tolerance Group | Chegg.com

bench vice assembly drawing pdf

Plastic SMT CR123 Battery Holder — PMD Way

bench vice assembly drawing pdf

Free hand sketching in engineering graphics – Engineering Drawing Basics

bench vice assembly drawing pdf

Example of drawing a small hand vice - Engineering Drawing

bench vice assembly drawing pdf

Bench vice hardware, front vices, tail vices, screw spindles | FINE TOOLS

bench vice assembly drawing pdf

FREE HAND DRAWING AND ASSEMBLY DRAWING OF BENCH VICE

bench vice assembly drawing pdf

Solved Please create the proper and complete ASSEMBLY | Chegg.com

bench vice assembly drawing pdf

Solved) - Vise Assembly (Create a set of detail and assembly drawings. All... (1 Answer) | Transtutors

bench vice assembly drawing pdf

Exploded View Parts Ordering: C-916A (VFD-3)_547

bench vice assembly drawing pdf

SolidWorks school work by Andrew Stockton at Coroflot.com

bench vice assembly drawing pdf

Machining Project Blueprints for Wedge Jack Parts | Lesson Plan

bench vice assembly drawing pdf

PDF] Design , Development & Analysis of Bench Vise on Rapid Prototype Machine | Semantic Scholar

bench vice assembly drawing pdf

Assembly and Details machine drawing pdf | PDF

bench vice assembly drawing pdf

Alex Kuykendall.com

bench vice assembly drawing pdf

Sensors | Free Full-Text | Development and Experimental Research of Different Mechanical Designs of an Optical Linear Encoder’s Reading Head

bench vice assembly drawing pdf

Parts | 6" Forged Vise (OBSOLETE) | RIDGID Store

bench vice assembly drawing pdf

671-22 Master Cylinder

bench vice assembly drawing pdf

Student Project 1 Create different components of the | Chegg.com

bench vice assembly drawing pdf

Metals | Free Full-Text | Optimization of Bolted Joints: A Literature Review

bench vice assembly drawing pdf

HSEC8-RA Print by Samtec Inc. Datasheet | DigiKey

bench vice assembly drawing pdf

FREE HAND DRAWING AND ASSEMBLY DRAWING OF BENCH VICE

bench vice assembly drawing pdf

39 Bench Vice FINAL | PDF | Computer Aided Design | Autodesk

bench vice assembly drawing pdf

PDF] Design , Development & Analysis of Bench Vise on Rapid Prototype Machine | Semantic Scholar

bench vice assembly drawing pdf

Solved Only do this task if you have Autocad as I need the | Chegg.com

bench vice assembly drawing pdf

Gun Vises for Almost Nothing, with Complete Dimensions - Gun Tests

bench vice assembly drawing pdf

ISO 8434-1 24°cone tube fittings dimensions - FITSCH (Ningbo) International Trade Co., Ltd.

bench vice assembly drawing pdf

NAAMS Safety Pin ASC0300 – Freer Tool and Supply

bench vice assembly drawing pdf

Optosigma Cage Post Mounting Base - C60 RMB 10 | MEETOPTICS

bench vice assembly drawing pdf

39 Bench Vice FINAL | PDF | Computer Aided Design | Autodesk

bench vice assembly drawing pdf

Aries Chip Scale Test Socket Test Burn-In CSP Micro BGA Test Socket DSP LGA SRAM DRAM Flash Devices 1 mm or less to 6.5 mm .4mm pitch up Larsen Associates

bench vice assembly drawing pdf

Pin on workshop woodworking

bench vice assembly drawing pdf

PDF] Design , Development & Analysis of Bench Vise on Rapid Prototype Machine | Semantic Scholar

bench vice assembly drawing pdf

A Computer Aided Tolerancing (CAT) Tool of Non-rigid Cylindrical Parts Assemblies | SpringerLink

bench vice assembly drawing pdf

Bench Vice Assembly || NX - YouTube

bench vice assembly drawing pdf

39 Bench Vice FINAL | PDF | Computer Aided Design | Autodesk

bench vice assembly drawing pdf

Zahra Hajabdollahi - United Kingdom | Professional Profile | LinkedIn